扫扫后,观注.我
该连续式波磁控管为调整频带宽度,全金属件工业陶瓷组成,直快热式纯钨金属电极的大电输出微波烧水射频烧水管。磁感线由外附电磁振动器铁提拱,管体水冷散热、金属电极导入方面风冷,微波烧水射频烧水人体脂肪从心轴同轴电缆的输出,可会直接鼓励激励椭圆波导,供微波烧水射频烧水烧水、焙烧、等亚铁离子广泛应用作电输出源用。
基本参数
频段依据 | 2450MHz±10MHz |
灯丝的电压(打火时) | 8.5±0.7V |
灯丝电压电流(加温时) | 47A |
灯丝工做电流(工做时) | 36A |
阳极电阻值 | ≤ 10kV |
阳极感应电流 | ≤ 1.6A |
输送输出 | 10kW |
装载驻波比 | ≤ 3:1 |
水冷却方式方法 | 管体油冷,金属电极产生端,被迫风冷 |
能源输出电压 | BJ-22波导导出 |
的效率 | 60% |
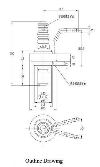
外形图:

联系电话:028-84372044, 13628002725 张经理
