扫扫视,点赞我们公司
CK-622(CWM-30L) 30kW/915MHz不断波磁控管广泛的用以微波通信通信热处理加热、化冻、煅烧、微波通信通信等正离子运用等领域。
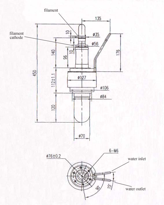
CK-622(1M70A)型累计波磁控管是33分米,放置频带宽度,全彩石陶瓷图片框架,直即热式纯钨负极的大电工率徽波通信管。磁感线由外附电磁感应铁具备,管体水冷散热、负极导入一些风冷,徽波通信能量转换从轴径无线天线转换,可就直接奖励圆形波导,供徽波通信加温作电工率源用。
主要性能
频次 | 915±25 MHz |
| 阳极电压 | 2.8 A |
灯丝交流电压 | 12.6±1.2V |
灯丝电压电流 | 115 A |
灯丝冷电阻值 | 0.01 Ω |
提前预热的时间 | 60 S |
电磁场 | 1100 GS (电滋铁二极之间极轴上) |
使用极限数据
是较为小的 | 大 | |
灯丝浪涌工作电流 | 250A | |
灯丝电压 | 115A | |
点火时候 | 60S | |
阳极交流电压 | 14KV | |
阳极电流量 | 3A | |
阳极设置额定功率 | 35KW | |
阳极耗散 | 15KW | |
过载输出功率驻波比 | 传输工作功率30kw≤1.2、25kw≤2.5、20kw≤3 | |
阳极冷却水联通流量量 | 8升/分 | |
阳极冷却水出水出水体温 | 50℃ | |
不锈钢表皮温暖 | 130℃ | |
陶瓷图片外壁平均温度 | 150℃ |
典型工作状态
灯丝功率(发动机预热) | 115A | 115A | 115A |
灯丝电压(工作的) | 100A | 98A | 96A |
阳极端电压 | 12.5KV | 12.5KV | 12.5KV |
阳极瞬时电流 | 2.0A | 2.4A | 2.8A |
輸出最大功率 | 20KW | 25KW | 30KW |
负荷电阻值驻波比 | 〈2.5 | 〈2.0 | 〈1.2 |
磁通容重 | ~0.131T | ~0.129T | ~0.127T |

联系电话:028-84372044, 13628002725 张经理