扫扫后,留意我们大家
GCWM-90100 100kW/915MHz累计波磁控管不是我平台新开业发的大电机功率累计波磁控管,具有广泛性代替红外光射频预热、焙烧、冻解、橡胶制品混炼、污废水工作以其红外光射频等正离子等应该用这个领域。
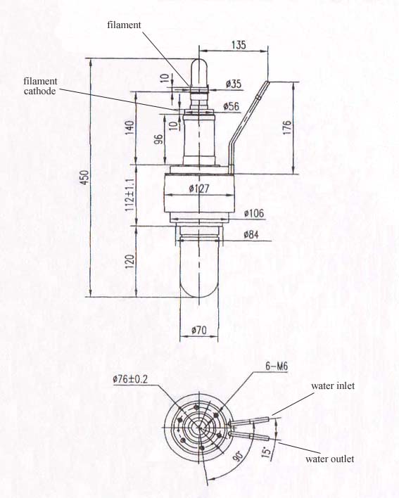
GGCK-50型重复波磁控管是33mm,比较固定频次,全铝合金瓷器设计,直快热式纯钨阴离子的大公率徽波管。电滋波由外附电滋铁作为,管体水冷散热、阴离子引入一部分风冷,徽波电能从轴上外置天线输入,可同时激励机制矩形框波导,供徽波电加热作公率源用。
典型工作状态
灯丝电压降 | 10.0V |
灯丝功率 | 94.5A |
阳极电压降 | 14.5kV |
阳极直流电 | 4.0A |
电磁能铁功率 | 3.95A |
模拟输出功效 | 50kW |
工作上的效率 | 87% |

联系电话:028-84372044, 13628002725 张经理
